您现在位于:首页产品中心刀开关、隔离开关 → HR5熔断器式刀开关
[上海山合海融商贸有限公司](繁體中文 )是国内外 品牌的低压电器产品,安全防护产品,进口核相仪,西班牙lifasa公司电容器,验电器,接地线,放电棒,绝缘毯,绝缘手套,绝缘靴,巡更巡检系统,过电压保护器,电涌保护器,双电源自动切换等产品的代理商。
 
 
HR5熔断器式刀开关
适用范围
HR5系列熔断器式隔离开关(以下简称开关)适用于额定工作电压至660V,交流50Hz,约定发热电流至630A,主要用于有高短路电流的配电电路和电动机电路中、用作电源开关、隔离开关和应急开关,并作电路保护之用。但一般不作为直接开闭单台电动机之用。
型号及其含义
正常工作条件
1、周围空气温度:
a、安装地点的周围空气温度,上限不C过+40℃,下限不低于-5℃;
b、24h内的平均温度值不C过+35℃。
注:周围空气温度下限为-10℃或-25℃的工作条件,在订货时用户需向制造厂申明。
2、安装地点的海拔不C过2000m;
注:开关安装地点C过2000m时,在订货时用户需向制造厂申明。
3、周围大气条件,大气相对湿度在周围空气温度为+40℃时不C过50%,在较低的温度下可以有较高的相对的湿度,Z湿月的月平均Z大相对湿度不大于90%,该月的月平均Z低温度不C过+20℃,并考虑到因温度变化发生在产品表面的凝露必须采取措施;
4、污染等级:开关周围环境等级为3级;
5、开关应垂直安装在无显著摇动和冲击振动的地方。
结构特征
开关主要由钢板底座和塑料盖板两大部分组成。三对夹型触头和灭弧室通过绝缘垫板装在底座上,熔断体装在盖板上直接作为动触头刀片用,盖板可沿铰销旋转呈扇形打开使熔断体从插座中WQ拔出,上盖亦可作方便地从底座上取下,便于开关的安装和安全拆换熔断体。开关的灭弧室由耐弧塑料压制而成,结构简单便于拆装,由于每个弧室都有内室和外室两部分,并装有金属弧角,不仅增加了灭弧能力,消除了飞弧的危害,提高了触头寿命。开关还具有弹簧贮能快速关合机构,使它能在极繁重条件下快速安全地动作。开关还装有LX19K行程开关,若配用带撞针的熔断体时,则当某相熔断体熔断后,撞针弹出,通过一根传动轴,触动行程开关以便发出信号,因此可提供断相信号,便于采取措施。
主要技术数据
1、额定绝缘电压:660V
2、额定工作电压:380V 660V两种
3、额定工作电流:380V 100A、200A、400A、630A四种
660V 100A、200A、315A、425A四种
4、开关的接通和分断能力和额定熔断短路电流按表1
5、开关的机械寿命分别为2000次(100A)、1600次(200A)和1000次(400A、630A)
6、开关的电寿命分别为300次(100A)和200次(200A、400A、630A)。接通与分断条件按表2
7、辅助开关(LX19K)的额定工作电压交流380V,约定发热电流5A,额定控制容量300VA
8、开关与熔断体配用关系如表3
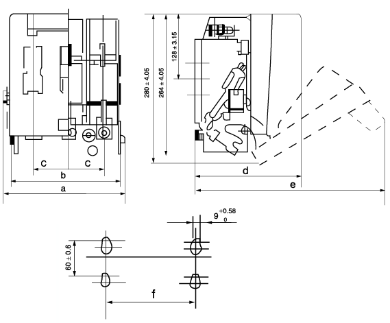
外形及安装尺寸
订货须知
用户订购本系列熔断器式隔离开关应说明下列内容:
a、产品名称、型号、约定发热电流,极数及数量。是否配熔断体撞击器或隔离刀片,注明熔断体的额定电流(如不注明即按开关的约定发热电流配装);
b、自提或送货以及发运,发运须注明单位全称,地址以及运输方式等;
c、购货单位同时应说明开户银行及帐号,以及增值税号等。