|


JDZ型电压互感器,为环氧树脂浇注绝缘的单相,双线圈、户内型电压互感器,适用于额定电压3或6或10KV额定频率50HZ的电力系统中作电压测量及继电保护用。



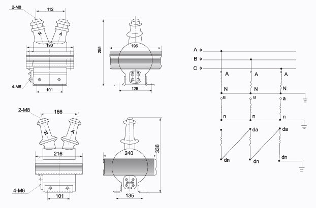
JDZ型电压互感器,一、二次线圈为同心圆筒式,并用环氧树脂混合胶浇注成型,铁心为壳式,由优质硅钢片迭装而成。电压互感器出头标记;一次为A、N;二次为a、n。

3.1 海拔不C过1000m; 3.2 环境温度变化范围:-5℃~+40℃,Z高日平均温度+30℃; 3.3 空气相对湿度:当气温为20℃时,相对湿度不大于85%; 3.4 安装场所应无严重影响互感器绝缘的污染及浸蚀性和爆炸性介质。

5.1 额定电压 10KV 户内 5.2 额定频率 50HZ 5.3 额定绝缘水平:JDZJ-3 JDZ-3 3.6/24/40KV JDZJ-6 JDZ-6 7.2/32/60KV JDZJ-10 JDZ-10 12/42/75KV 5.4 额定一次电压,准确级及相应的额定输出见表1




JDZJ型电压互感器

JDZJ型电压互感器为环氧树脂浇注绝缘的单相、三线圈户内型电压互感器,适用于额定电压3或6或10KV额定频率50HZ的电力系统中,作电压测量及继电保护用。

JDZJ型电压互感器,一次绕组、二次绕组、辅助二次绕组(零序线圈)为同心圆筒式,用环氧树脂混合胶浇注成形,绝缘结构为全绝缘型,铁芯为壳式,由优质硅钢片迭装而成。电压互感器出头标记,一次为A、N,二次为a、n;辅助二次为da、dn。


|