| 适用范围 |
JZ7系列中间继电器(以下简称继电器),适用于交流50Hz或60Hz、电压至380V,及直流电压至220V的控制电路中,用来控制各种电磁线圈,以使信号放大或将信号同时传递给有关控制元件。
|
|
| 型号及其含义 |
|
| 正常工作条件及安装条件 |
1、海拔不C过2000m;
2、周围空气温度上限值不C过+40℃,下限值不低于-5℃;
3、空气的相对湿度不大于85%;
4、与垂直面的倾斜度不C过5°;
5、无显著摇动和冲击振动地方;
6、在无爆炸危险的介质中,且介质中无足以腐蚀金属和破坏绝缘的气体和尘埃(包括导电尘埃)。 |
|
|
| 工作制 |
1、八小时工作制。
2、不间断工作制。
3、间断周期工作制,操作频率不大于1200次/小时,负载因数为40%。 |
| 结构特征 |
1、继电器的结构系开启型、空气电磁式,动作机构为直动式,产品躯壳用热固性塑料制成,整个结构紧凑,使用方便。
2、继电器的触头系统为双断点,桥式结构,分上、下两层排列,每层各装四对触点。
3、为减轻继电器在闭合过程中的铁芯撞击和触头振动、铁芯采用弹性固定,有利于使用寿命的延长。继电器的接线端采用瓦形垫圈,接线方便KK。 |
| 主要技术参数 |
|
|
 ` |
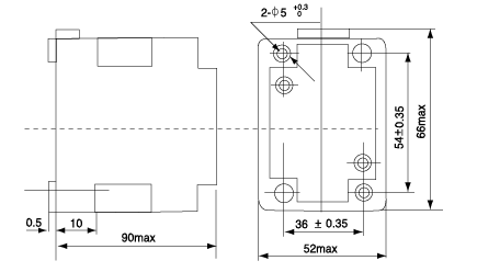
| 外形及安装尺寸 |
|
| 订货须知 |
订货时必须指出:
a、继电器完整的名称和型号;
b、线圈的额定工作电压和频率;
c、订货数量。
订货示例:JZ7-44中间继电器线圈电压220V、50Hz、10台。 |
|