服务热线:021-51082245
klauke产品首页
klauke品牌介绍
klauke产品中心
充电式压接剪切工具
手动液压压接剪切工具
分体液压压接 头剪切头
机械式压接、剪切工具
电动和气动压接工具
液压驱动装置(液压泵)
压接模具和工具附件
手工 工具
Greenlee Utility格林利
电气连接系统
klauke技术文章
klauke样本下载
联系我们
全国服务热线:
+86-021-51082245
网站公告:
上海山合海融商贸有限公司代理销售德国KLAUKE全线产品,欢迎新老客户选购!
产品
分类
充电式压接剪切工具
手动液压压接剪切工具
分体液压压接头剪切头
机械式压接、剪切工具
电动和气动压接工具
液压驱动装置(液压泵)
压接模具和工具附件
手工工具
Greenlee Utility格林利
电气连接系统
联系
我们
+86-021-51082245
地址:
上海市宝山区陆翔路678弄60号
公司:
上海山合海融商贸有限公司
手机:
+86-13818244503
传真:
+86-021-51082245
产品中心
Products
当前位置:
首页 >>
产品中心
>>
电气连接系统
>>
无焊端子和接续管
铜平行接续管
添加时间:2015/11/30 20:54:52
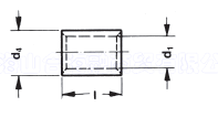
铜平行接续管,1.5-300mm2
标准型
用于连接不同的电缆横截面
特性:
退火材料可优化材料及其压接特性
经过特殊制造工艺的平接触表面
材料:铜
表面:镀锡
上一条:
铜接续管
下一条:
T形接续管