全国服务热线:+86-021-51082245
网站公告:
上海山合海融商贸有限公司代理销售德国KLAUKE全线产品,欢迎新老客户选购!

联系我们
+86-021-51082245
地址:
上海市宝山区陆翔路678弄60号
公司:
上海山合海融商贸有限公司
手机:
+86-13818244503
传真:
+86-021-51082245
产品中心 Products
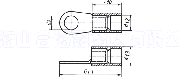
绝缘无焊料型端子
添加时间:2015/11/30 21:52:24
绝缘无焊料型端子

绝缘无焊料型端子,铜质,10-150mm2

用于导线,例如 第 2、5、6 类

带有用于JQ电缆接入的对接标记

特性

绝缘套管 PA,无卤化物,易于电缆插入

符合 的管尺寸

带沟槽形剖面

在压接区域硬钎焊

材料:Cu-ETP

表面:镀锡

10-150绝缘无焊压图.png10-150绝缘无焊表.png10-150绝缘无焊表2.png

上一条:铜质异径套管

下一条:绝缘针形端子