全国服务热线:+86-021-51082245
网站公告:
上海山合海融商贸有限公司代理销售德国KLAUKE全线产品,欢迎新老客户选购!

联系我们
+86-021-51082245
地址:
上海市宝山区陆翔路678弄60号
公司:
上海山合海融商贸有限公司
手机:
+86-13818244503
传真:
+86-021-51082245
产品中心 Products
绝缘无焊料型端子
添加时间:2015/11/30 21:56:25
绝缘无焊料型端子

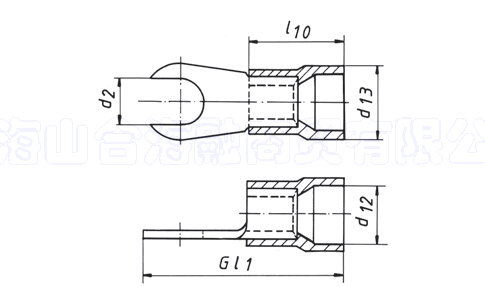
绝缘无焊料型端子,铜质 10-16mm2

叉型

用于直接螺钉安装

用于仪表连接的特殊设计

带有用于JQ电缆接入的对接标记

特性

带沟槽形剖面

在压接区域硬钎焊

绝缘套管:PA,不含卤化物

材料:Cu-ETP

表面:镀锡

10-16绝缘无焊压图.png10-16绝缘无焊表.png

上一条:绝缘针形端子

下一条:没有了!