全国服务热线:+86-021-51082245
网站公告:
上海山合海融商贸有限公司代理销售德国KLAUKE全线产品,欢迎新老客户选购!

联系我们
+86-021-51082245
地址:
上海市宝山区陆翔路678弄60号
公司:
上海山合海融商贸有限公司
手机:
+86-13818244503
传真:
+86-021-51082245
产品中心 Products
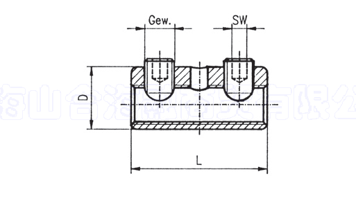
经过抛光处理的螺钉式接续管
添加时间:2015/12/1 21:54:47
经过抛光处理的螺钉式接续管

经过抛光处理的螺钉式接续管,2.5-185mm2

用于连接相同和不同的导线横截面

同样适用于连接不同的导线类型和材料 , 例

如 1 级和 2 级,以及符合 DIN48201

第 1 部分的铝导线

特性

内部特别的槽形剖面,可以在扭紧时去掉氧化层

有检查孔,用于监控电缆进入(不同材料严禁相互接触)

没有剪切头

双螺钉型

材料

绝缘体: 高电阻铝合金

螺钉 : 铜合金 , 镀锡

表面:铜抛光或镀锡

18533.png185表.png