全国服务热线:+86-021-51082245
网站公告:
上海山合海融商贸有限公司代理销售德国KLAUKE全线产品,欢迎新老客户选购!

联系我们
+86-021-51082245
地址:
上海市宝山区陆翔路678弄60号
公司:
上海山合海融商贸有限公司
手机:
+86-13818244503
传真:
+86-021-51082245
产品中心 Products
绝缘接续端子
添加时间:2015/12/3 21:10:14
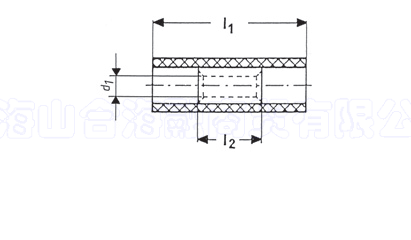
绝缘接续端子

绝缘接续端子,0.5-6mm2

适用于细绞线和C细绞线

带防水热收缩绝缘

带有对接端标识,以利于JQ置入电缆

特性

绝缘插片套管: PE

导线截面配有颜色标识

材料:Cu-ETP

表面:镀锡

055.png0555.png