|
 
适用于交流50Hz、额定工作电压至380V,额定电流至63A的主回路中,以用于改变三相异步式电动机定子电路的接法或转子回路的电阻值,来控制电动机的起动、调速、制动和换向。



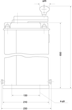
由操作机构、凸轮和触头系列及壳体三总分组成。操纵手柄带有零位自锁装置。机械传动部分位于箱体上部。立式操作手柄经伞齿轮传动凸轮轴,水平操作手柄则直接传动轮轴,使触头组按规定程序分合,由定位螺钉装入棘轮上不同位置的定位孔,即决定操纵手柄的档位数,左右各有发范围,可任意选择,定位棘轮弹簧力可调,在分档清楚的前提下,通过调整棘轮弹簧力使手柄操作力在许可范围内。采用转动式双断点触头,32A、63A触头安装尺寸相同。凸轮为插入式,可便于变换触头分合程序。 机座为压铸铝件。前后罩可方便地拆下,便于安装、配线、维修。

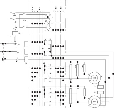
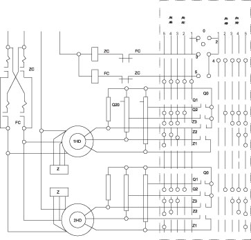
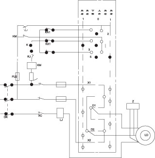
4.1 4.2 产品主要技术性能(见表) 4.3 手柄操作力不大于40N 4.4 辅助触头额定工作电流2.6A,AC-11电寿命60万次 4.5 电气原理图(见各图)


 
 

|