◆技术参数 ■符合电气标准:
■脱扣时间:□ 非延时 a. G
Z少10ms延时
b.额定电压(Ue):230V;50Hz
c.额定剩余动作电流:30,300mA
d.灵敏性:A型 e.选择性级别:3
f.额定分断能力Icn:10kA
g.额定电流In:6-40A
h.脱扣特性:C,D特性曲线 i.Z大可连上的熔断器:100A
gL(>10kA)
j.严峻气候环境抵抗力:
k.外壳防护等级:(安装后) l.寿命:电气,不少于4000次通断动作
m.机械:不少于20000次通断动作 ■机械参数
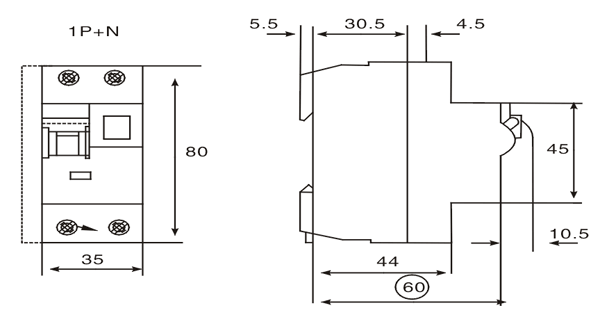
a.外壳宽度:35mm(2个模数)
b.安装方式:安装在DIN导轨35mm
c.端子接线能力:导线1-25mm2;母排厚度0.8-2mm ◆主要特点 ■极高的分断能力10kA ■结构紧凑、体积小(2个模数宽) ■具有中线开断功能,更加安全KK ■双功能接线端子,接线能力强 ■具有触头状态指示器,便于识别触头接触情况 ■额定电流范围宽,可作为家庭总开关使用 ■统一的附件系列 ◆外形尺寸

| 漏电、过载和短路三种保护功能于一体。 |
额定电流In(A) |
30mA
 1极+中线 |
300mA
 1极+中线 |
C特性曲线
A型  |
6 |
M-LD7-6/1N/0.03/C-A |
M-LD7-6/1N/0.3/C-A |
|
10 |
M-LD7-10/1N/0.03/C-A |
M-LD7-10/1N/0.3/C-A |
|
16 |
M-LD7-16/1N/0.03/C-A |
M-LD7-16/1N/0.3/C-A |
|
20 |
M-LD7-20/1N/0.03/C-A |
M-LD7-20/1N/0.3/C-A |
|
25 |
M-LD7-25/1N/0.03/C-A |
M-LD7-25/1N/0.3/C-A |
|
32 |
M-LD7-32/1N/0.03/C-A |
M-LD7-32/1N/0.3/C-A |
|
40 |
M-LD7-40/1N/0.03/C-A |
M-LD7-40/1N/0.3/C-A |
D特性曲线 A型  |
6 |
M-LD7-6/1N/0.03/D-A |
M-LD7-6/1N/0.3/D-A |
|
10 |
M-LD7-10/1N/0.03/D-A |
M-LD7-10/1N/0.3/D-A |
|
16 |
M-LD7-16/1N/0.03/D-A |
M-LD7-16/1N/0.3/D-A |
|
20 |
M-LD7-20/1N/0.03/D-A |
M-LD7-20/1N/0.3/D-A | 周围环境温度变化对负载的影响
|
|
环境温度T〔℃〕 |
|
In[A] |
-25 |
-20 |
-10 |
0 |
10 |
20 |
30 |
35 |
40 |
|
2 |
2.5 |
2.4 |
2.3 |
2.2 |
2.2 |
2.1 |
2.0 |
2.0 |
1.9 |
|
4 |
4.9 |
4.8 |
4.7 |
4.5 |
4.3 |
4.2 |
4.0 |
3.9 |
3.9 |
|
5 |
6.2 |
6.0 |
5.8 |
5.6 |
5.4 |
5.2 |
5.0 |
4.9 |
4.8 |
|
6 |
7.4 |
7.2 |
7.0 |
6.7 |
6.5 |
6.3 |
6.0 |
5.9 |
5.8 |
|
8 |
9.9 |
9.6 |
9.3 |
9.0 |
8.7 |
8.4 |
8.0 |
7.9 |
7.7 |
|
10 |
12 |
12 |
12 |
11 |
11 |
10 |
10 |
9.9 |
9.7 |
|
12 |
15 |
14 |
14 |
13 |
13 |
13 |
12 |
12 |
12 |
|
13 |
16 |
16 |
15 |
15 |
14 |
14 |
13 |
13 |
13 |
|
15 |
19 |
18 |
17 |
17 |
16 |
16 |
15 |
15 |
15 |
|
16 |
20 |
19 |
19 |
18 |
17 |
17 |
16 |
16 |
15 |
|
20 |
25 |
24 |
23 |
22 |
22 |
21 |
20 |
20 |
10 |
|
25 |
31 |
30 |
29 |
28 |
27 |
26 |
25 |
25 |
24 |
|
32 |
40 |
38 |
37 |
36 |
35 |
33 |
32 |
32 |
31 |
|
40 |
49 |
48 |
47 |
45 |
43 |
42 |
40 |
39 |
39 | 脱扣特征曲线

| |