用途及适用范围
M-NZA系列塑料外壳式断路器 具有结构紧凑,体积小,短路分断能力高,无习弧
,内部附属装置模块式安装,使用端子防护罩加强安全,以及"底座","盖板"采用不同颜色,增进美观等特点.
M-NZA系列塑料外壳式断路器(以下简称断路器),适用于交流50Hz(60Hz),额定z绝缘电压690V,额定工作电压660V
(690V)及以下,直流250V及下,额定电流12.5A--800A的电路中,及来分配电能,在正常条件下作不频繁的闭合和断开之
用,并在线路和设备过载,短路和欠电压时起保护之用.在正常条件下,也可以修作线路的不频繁转换之用.
额定壳架等级电流在400A
以下断路器,也可作鼠笼型电动机的频繁起动,运转中中断以及在电动机过载,短路及欠电压时
起保护作用.
断路器可加载欠电压脱扣器,分励脱扣器,辅助触头,报警触头,电动机操作机构及转换手柄操作机构等各种用途的电气附件和机构附件.
断路器适用于下列工作环境:
a.安装地点的海拔高度不C过2000M
b.周围介质温度不高于+40℃和低于-5℃
c.在无爆炸危险的介质中,且介质无足以腐蚀金属和破坏环境的气体和导电尘埃的地方;
d.无雨雷侵袭的地方.
e.污染等级3
安装类别:
断路器的安装方式
断路器的基本安装方式为垂直安装,但也可横装.
型号及含义

■手柄直接操作无代号;电动操作以D表示;外部转动手柄操作以Z表示.
■配电用断路器无代号;电动机保护型为"2".
■额定短路分断能力级别:N-标准型;H-中高分断型;L-高分断型

■分类
1.按断路器的用途分:配电保护型
电动机保护型;
2.按换线方式分:板前换线 板后换线 插入式 抽出式换线
3.按操作方式分:手柄直接操作 外部转动手柄操作
电动操作;
4.按脱扣器型分:仅有瞬时动作脱扣器(电磁脱扣器),燃动+电磁脱扣器(复式脱扣器)
5.按极数分:二级,三级.四级;
■四极断路器中,中性能(N级)的型式有六种:
A型:N型不安装过电渡脱扣器,且N级始终换通不与其它三极一起合分;
B型:N型不安装过电渡脱扣器,且N极与其它三极一起合分;
C型:N型安装过电渡脱扣器,且N极与其它一极一起合分;
D型:N型安装过电渡脱扣器,且N极始终接通不与其它三极一起合分;
E型:N型装中性线断线保护器,且N极与其它三极一起合分;
F型:N型装中性能断线保护器,且N极始终接通不与其它三极一起合分.
■按附件装置分:带附件装置
不带附件装置.
主要技术性能指标

M-NZA-125,160断路器安装欠压电压脱扣器 宽度+15MM
注:四极断路器均为L
型.
■配电保护型断路器的过载长延时特性

外形尺寸与安装尺寸
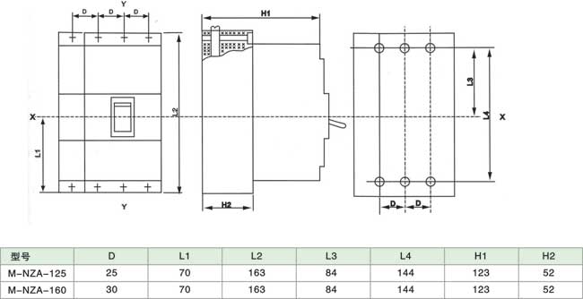
■M-NZA-125--160固定式,板前接线外形尺寸及安装尺寸

备注:Y-Y型断路器三极中心线
1.断路器的各种特性及附属装置已由制造厂整定,用户在使用中不可随意调节.
■M-NZA-250-1250固定式,板前换线外形尺寸及安装尺寸

外形及安装尺寸
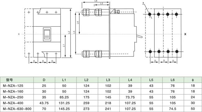
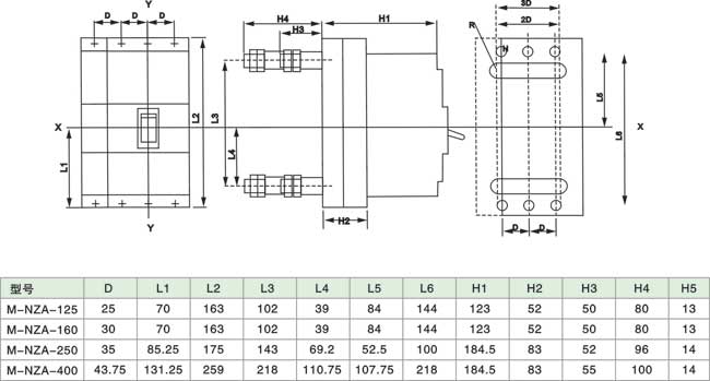
■M-NZA-125--800固定式,板后接线外形尺寸及安装尺寸

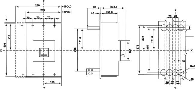
■M-NZA-1250固定式,板后接线外形尺寸及安装尺寸

■M-NZA-125--160插入式,板前接线外形尺寸及安装尺寸

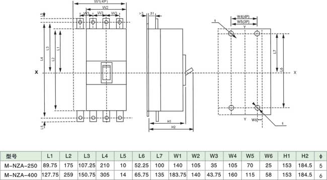
■M-NZA-250--400插入式,板前接线外形尺寸及安装尺寸

■M-NZA-250--400插入式,板后接线外形尺寸及安装尺寸
