◆用途及适用范围
M-NZM系列塑料外壳式断路器(以下简称断路器),是本公司 研制、开发的新型断路器之一。其额定绝缘电压为800V,(M-NZM1-63为500V),适用于交流50Hz,额定工作电压690V以下,(M-NZM1-63为400V),额定工作电流至800A的电路中作不频繁转换及电动机不频繁起动之用。断路器具有过载、短路和欠电压保护功能,能保护线路和电源设备不受损坏。
断路器按照额定极限短路分断能力(lcu)的高低分为N型(标准型)、H型(较高分断型)、L型(高分断型)三类。该断路器具有体积小、分断高、飞弧短(部分规格零飞弧)、抗振动等优点,是陆地及船舶使用的理想产品。 ◆型号及含义
 注: 1)配电用断路器无代号;保护电动机用断路器以2表示。 2)手柄直接操作无代号;电动操作用P表示;转动手柄用Z表示。 ◆适用工作环境 ◆海拔高度2000m及以下; ◆周围介质温度不高于+40oC(对船用产品为+45oC)
和不低于-5oC; ◆能耐受潮湿空气的影响; ◆能耐受盐雾、油雾的影响; ◆Z大倾斜为±25.5o; ◆在受到船舶正常振动时能KK工作; ◆在受到地震情况下(4g)能KK工作; ◆在无爆炸危险的介质中,具介质无足以腐蚀金属的
破坏绝缘的气体与导电尘埃的地方; ◆在没有雨雪侵袭的地方。

 ◆脱扣器方式及附件代号
 ■脱扣器方式及内部附件代号
 注: ■200:表示仅有电磁脱扣器的断路器本体;300:表示带有热动一电磁脱扣器的断路器本体;000:不带脱扣器的断路器的本体。 ■对M-NZM2-100、M-NZM3-225二极产品只有210、310、220、320、230、330;对M-NZM2-100、M-NZM3-160、225四极
断路器无218、318、248、348、N极为A型和D型时无240、340、260、360、268、368; ■对M-NZM4-400、M-NZM6-630及M-NZM6-800其中248、348、278、378规格中辅助触头为一对触头(即一常开、一常闭),
268、368规格中的辅助触头为三对触头(即三常开,三常闭)。
■连接导线的截面积与相适应的额定电流
额定电流值(A)
|
10 |
16,20 |
25 |
32 |
40,50 |
63 |
80 |
100 |
125 |
160 |
18,200,225 |
250 |
315,350 |
400 |
导线截面积(mm2)
|
1.5 |
2.5 |
4 |
6 |
10 |
16 |
25 |
35 |
50 |
70 |
95 |
120 |
180 |
240 |
|
额定电流值(A) |
电 缆 |
铜 排 |
|
截面积(mm2) |
数量 |
尺寸(mm x mm) |
数量 |
|
500 |
150 |
2 |
30x5 |
2 |
|
630 |
185 |
2 |
40x5 |
2 |
|
700,800 |
200 |
2 |
40x5 |
2 | ◆内外部附件 ■断路器的内部附件
(根据用户需要断路器附件可直接引出接线,或加装引出接线端子)。 1.欠电压脱扣器
欠电压脱扣器分三种型号: A型:一个规格五个电压等级:AC50Hz
110V 230V 400V;
DC 110V 220V
B型:(三相保护)一个规格:AC50Hz 400V
C型:两个规格:AC50Hz 230V或400V
接线图(虚框内为开关内部附件)


在额定工作电压的70%~35%时,欠电压脱扣器应KK使断路器脱扣。警告:欠电压脱扣器必须先通电,断路器才能再扣及合闸。否则将损坏断路器!
|
额定电流值(A) |
欠电压脱扣器功率(W) |
|
AC230V |
AC400V |
|
M-NZM1-63
|
3.5
|
3.3
|
|
M-NZM2-100 |
2.6 |
3.3 |
|
M-NZM3-160 |
3.8 |
3.3 |
|
M-NZM3-225 |
3.8 |
3.3 |
|
M-NZM4-400 |
3.7 |
2.7 |
|
M-NZM5-630 |
2.3 |
2.7 |
|
M-NZM6-800 |
2.5 |
2.8 | 2.分励脱扣器
接线图(虚框内为开产在内部附件)
 K:分励脱扣器内部与线圈串联的微动开关常闭触头,当断路器分闸后,该触头自行断开,合闸时闭合。 3.报警触头
|
断路器处于“分”“合”时的位置 |
 |
|
断路器处于“自动脱扣”(报警)时的位置 |
 | 规格:AC50Hz,230V或400V;DC220V或24V(注:DC24V为不推荐规格)。 在额定控制电源电压的70~110%之间时,分励脱扣器应KK使断路器脱扣。 4.辅助触头
|
断路器处于“分”时的位置 |

|
壳架等级电流400A及以上断路器(一组四对触头) |
|
|

|
壳架等级电流225A及以下断路器(一组二对触头) |
|
断路器处于“合”时的位置 |

|
壳架等级电流400A及以上断路器(一组四对触头) |
|
|

|
壳架等级电流225A及以下断路器(一组二对触头) | ■断路器的外部附件
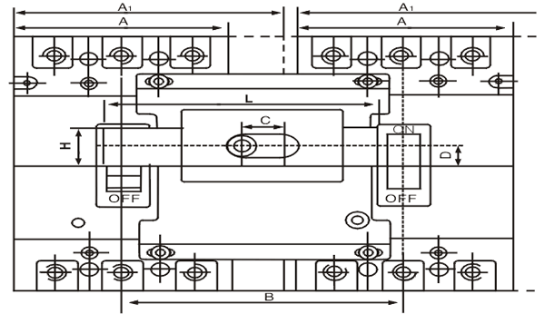
1.两台断路器的机械联动锁机构


|
型号 |
A
|
|
B
|
C
|
D
|
L
|
H
|
备 注 |
|
M-NZM1-63
|
78 |
|
102 |
18 |
13 |
95 |
22 |
用于M-NZM1-63N、H
|
|
M-NZM2-100 |
92 |
|
120 |
18 |
11.5 |
118 |
22 |
用于M-NZM2-100N、H、L |
|
M-NZM3-160 |
107 |
|
135 |
18 |
9 |
130 |
22 |
用于M-NZM3-160N、H、L |
|
M-NZM3-225 |
107 |
|
135 |
18 |
9 |
130 |
22 |
用于M-NZM3-225N、H、L |
|
M-NZM4-400 |
150 |
|
190 |
42 |
16 |
175 |
22 |
用于M-NZM4-400N、H、L |
|
M-NZM5-630 |
182 |
|
220 |
42 |
12 |
198 |
22 |
用于M-NZM6-630N、H |
|
M-NZM6-800 |
210 |
|
240 |
42 |
29.5 |
230 |
20 |
用于M-NZM-630/800H、L |
|
M-NZM1-63/4P |
|
103
|
132 |
18 |
13 |
125 |
22 |
用于M-NZM1-63四级 |
|
M-NZM2-100/4P |
|
122 |
152 |
18 |
11.5 |
150 |
22 |
用于M-NZM2-100四级 |
|
M-NZM3-160/4P |
|
142 |
173 |
18 |
9 |
168 |
22 |
用于M-NZM3-160四级 |
|
M-NZM3-225/4P |
|
142 |
173 |
18 |
9 |
168 |
22 |
用于M-NZM3-225四级 |
|
M-NZM4-400/4P |
|
198 |
240 |
42 |
16 |
225 |
22 |
用于M-NZM4-400四级 |
|
M-NZM5-630/4P |
|
240 |
280 |
42 |
12 |
258 |
22 |
用于M-NZM5-630四级 |

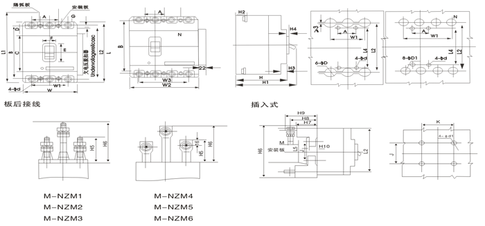
|
型号
|
外形尺寸
|
安装尺寸
|
|
板前接线
|
板后接线 |
插入式
|
| W |
W1 |
L |
L1 |
L2
|
H |
H1 |
H2 |
H3 |
H4 |
C |
D |
E |
F |
G |
I |
W2 |
W3 |
L3 |
L4 |
H5 |
H6 |
φD
|
φD1 |
L5 |
L6 |
H7 |
H8 |
H9 |
H10 |
J |
K |
φD1 |
M |
A |
B |
φD1 |
M-NZM-63N
|
76 |
50 |
135 |
170 |
117 |
|
|
|
7 |
4 |
85 |
28.5 |
48 |
22 |
14 |
7.5 |
100 |
75 |
117 |
117 |
44 |
66 |
8 |
8 |
|
|
|
|
|
|
|
|
|
|
25 |
117 |
3.5 |
| M-NZM1-63H |
76 |
50 |
135 |
170 |
117 |
82 |
98.5 |
28 |
7 |
4 |
85 |
28.5 |
48 |
22 |
14 |
7.5 |
100 |
75 |
117 |
117 |
44 |
66 |
8 |
8 |
|
|
|
|
|
|
|
|
|
|
25 |
117 |
3.5 |
| M-NZM2-100N |
92 |
60 |
150 |
185
|
132 |
68 |
86 |
24 |
7 |
4 |
88 |
35.5 |
50 |
22 |
7.5 |
7.5 |
|
|
107 |
129 |
68 |
108 |
26 |
16 |
92 |
168 |
50 |
62 |
74 |
17.5 |
56 |
60 |
6.5 |
M8 |
30 |
129 |
4.5 |
| M-NZM2-100H |
92 |
60 |
150 |
185 |
132 |
68 |
86 |
24 |
7 |
4 |
88 |
35.5 |
50 |
22 |
7.5 |
7.5 |
|
|
107 |
129 |
68 |
108 |
26 |
16 |
92 |
168 |
50 |
62 |
74 |
17.5 |
56 |
60 |
6.5 |
M8 |
30 |
129 |
4.5 |
| M-NZM3-225N |
107 |
70 |
165 |
215 |
144 |
86 |
110 |
24 |
5 |
4 |
102 |
31.5 |
50 |
22 |
17 |
7.5 |
|
|
126 |
126 |
66 |
110 |
20 |
20 |
94 |
183 |
50 |
69.5 |
84.5 |
17.5 |
54 |
70 |
6.5 |
M8 |
35 |
126 |
5 |
| M-NZM3-225H |
107 |
70 |
165 |
215 |
144 |
86 |
110 |
24 |
5 |
4 |
102 |
31.5 |
50 |
22 |
17 |
9 |
|
|
126 |
126 |
66 |
110 |
20 |
20 |
94 |
183 |
50 |
69.5 |
84.5 |
17.5 |
54 |
70 |
6.5 |
M8 |
35 |
126 |
5 |
| M-NZM4-400N |
150 |
96 |
257 |
357 |
224 |
105 |
155 |
38 |
8 |
6 |
128 |
64.5 |
89 |
65 |
φ26 |
9 |
|
|
194 |
194 |
60 |
120 |
33 |
33 |
169 |
279 |
60 |
83.5 |
106.5 |
21 |
129 |
60 |
8.5 |
M10 |
44 |
194 |
7 |
| M-NZM4-400H |
150 |
96 |
257 |
357 |
224 |
105 |
155 |
38 |
8 |
6 |
128 |
64.5 |
89 |
65 |
φ26 |
9 |
198 |
144 |
194 |
194 |
60 |
120 |
33 |
33 |
169 |
279 |
60 |
83.5 |
106.5 |
21 |
129 |
60 |
8.5 |
M10 |
44 |
194 |
7 |
| M-NZM5-630N |
182 |
116 |
270 |
370 |
234 |
110 |
160 |
43 |
8 |
6 |
134 |
70 |
89 |
65 |
φ26 |
9 |
240 |
174 |
200 |
200 |
65 |
125 |
36 |
36 |
169 |
299 |
60 |
92 |
110 |
21 |
123 |
100 |
8.5 |
M12 |
58 |
200 |
7 |
| M-NZM5-630H |
182 |
116 |
270 |
370 |
234 |
110 |
160 |
43 |
8 |
6 |
134 |
70 |
89 |
65 |
φ26 |
9 |
|
|
200 |
200 |
65 |
125 |
36 |
36 |
169 |
299 |
60 |
92 |
110 |
21 |
123 |
100 |
8.5 |
M12 |
58 |
200 |
7 |
| M-NZM6-800N |
210 |
140 |
280 |
380 |
243 |
106 |
145 |
33 |
30 |
128 |
|
|
|
|
|
|
|
|
200 |
200 |
128 |
|
|
|
|
|
|
|
|
|
|
|
|
|
70 |
243 |
7.2 |
| M-NZM6-800H |
210 |
140 |
280 |
380 |
243 |
106 |
145 |
33 |
30 |
128 |
|
|
|
|
|
|
|
|
200 |
200 |
128 |
|
|
|
|
|
|
|
|
|
|
|
|
|
70 |
243 |
7.2 | 注:※M-NZM2-100飞弧距离为50mm的产品,L1=200mm

| |