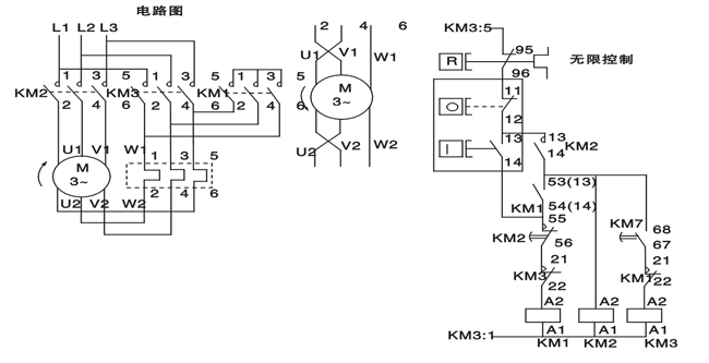
◆使用范围
适用于交流50Hz/60Hz,电压至660V,电流至95A以下的电路中作为电动机的启动装置,它没有定时器,可出动进行“星三角”转换,以降低电动机启动电压及电流。
◆主要技术参数
|
型号 |
额定使用电流 |
三相电动机电容
|
|
Ac3 |
Ac3
|
|
220V |
380V |
415V |
440V |
|
M-SDAINL-00MC |
9 |
4 |
7.5 |
7.5 |
7.5 |
|
M-SDAINL-00AMC |
12 |
5.5 |
11 |
11 |
11 |
|
M-SDAINL-0MC |
17 |
11 |
18.5 |
22 |
22 |
|
M-SDAINL-0AMC |
25 |
11 |
22 |
22 |
22 |
|
M-SDAINL-1MC |
32 |
15 |
25 |
30 |
30 |
|
M-SDAINL-1AMC |
40 |
18.5 |
37 |
37 |
37 |
|
M-SDAINL-2MC |
50 |
30 |
55 |
59 |
59 |
|
M-SDAINL-2AMC |
65 |
32 |
55 |
59 |
59 |
|
M-SDAINL-3MC |
80 |
37 |
75 |
75 |
75 |
|
M-SDAINL-3AMC |
95 |
45 |
80 |
80 |
80 |

| |