四、型号及技术参数1. 用于电机、变压器、开关、母线、线路、电容器等设备过电压保护器。
表一中所列各型保护器相间与相对地有着同样的过电压保护水平。
表一
型号 |
保护对象 |
保护器持续运行电压(KV)r.m.s |
保护对象额定电压(KV)r.m.s |
工频放电电压(不小于)(KV)r.m.s |
操作冲击电流残压 |
1.2/50冲击放电电压及残压 |
雷电冲击电流残压 |
2ms方波冲击电流 |
相间距离 |
产品高度 |
图号 |
(不大于)(KV)crest |
标准 |
允许范围 |
100A |
- |
500A |
5KA |
(A) |
(mm) |
SHPB-A-3.8F/131 |
电
机 |
3.8 |
3.15 |
6.2 |
5.8~7.5 |
7 |
7.5 |
7.5 |
9 |
400/
600 |
131 |
182 |
3 |
SHPB-A-7.6F/131 |
7.6 |
6.3 |
13.8 |
11.3~16.5 |
14 |
15 |
15 |
17 |
SHPB-A-12.7F/131 |
12.7 |
10.5 |
24.2 |
21.4~27.7 |
23.1 |
24.8 |
24.8 |
29 |
197 |
SHPB-A-13.8F/131 |
16.7 |
13.8 |
34.5 |
31~41.4 |
46.8 |
55 |
55 |
|
180 |
260 |
|
SHPB-A-15.75 |
19 |
15.75 |
39.3 |
35.3~47.2 |
53.3 |
62.5 |
62.5 |
|
240 |
360 |
|
SHPB-B-3.8F/131 |
变
压
器
开
关
母
线 |
3.8 |
3 |
7 |
6.3~8.4 |
10.2 |
12 |
|
12 |
400/
600 |
131 |
182 |
3 |
SHPB-B-7.6F/131 |
7.6 |
6 |
15 |
13.5~18 |
20.4 |
24 |
|
24 |
197 |
SHPB-B-6/W |
250 |
406 |
5 |
SHPB-B-12.7F/131 |
12.7 |
10 |
25 |
22.5~30 |
33.8 |
40 |
|
40 |
131 |
197 |
3 |
SHPB-B-12.7/W |
250 |
406 |
5 |
SHPB-B-42F/310 |
42 |
35 |
75 |
67~90 |
105 |
119 |
|
119 |
310 |
550 |
4 |
SHPB-B-42/W |
400 |
1058 |
6 |
SHPB-C-3.8F/131 |
电
容
器 |
3.8 |
3 |
7 |
6.3~8.4 |
10.4 |
|
|
11.7 |
400/
800 |
131 |
182 |
3 |
SHPB-C-7.6F/131 |
7.6 |
6 |
15 |
13.5~18 |
20.7 |
|
|
23.4 |
197 |
SHPB-C-12.7F/131 |
12.7 |
10 |
25 |
22.5~30 |
34.5 |
|
|
39.1 |
SHPB-C-42F/310 |
42 |
35 |
75 |
67~90 |
105 |
|
|
119 |
310 |
550 |
4 |
SHPB-C-42/W |
400 |
1058 |
6 |
以下三种型号均为同一种产品,可以根据需要标识在产品上。
类型 |
型号 |
型号(/后为相间距离) |
型号(/后为残压) |
备注 |
电机型 |
SHPB1-3.8/9 |
SHPB-A-3.8F/131 |
SHPB-A-3.8F/9 |
保护对象
电机
F表示硅橡胶外套 |
电机型 |
SHPB1-7.6/17 |
SHPB-A-7.6F/131 |
SHPB-A-7.6F/17 |
电机型 |
SHPB1-12.7/29 |
SHPB-A-12.7F/131 |
SHPB-A-12.7F/29 |
电机型 |
|
SHPB-A-13.8F/131 |
SHPB-A-13.8F/131 |
电机型 |
|
SHPB-A-15.75 |
SHPB-A-15.75 |
电站型 |
SHPB2-3.8/12 |
SHPB-B-3.8F/131 |
SHPB-B-3.8F/12 |
保护对象
变压器
开关
母线
线路
F表示硅橡胶外套 |
电站型 |
SHPB2-7.6/24 |
SHPB-B-7.6F/131 |
SHPB-B-7.6F/24 |
电站型 |
|
SHPB-B-6/W(户外) |
SHPB-B-6/W(户外) |
电站型 |
SHPB2-12.7/38 |
SHPB-B-12.7F/131 |
SHPB-B-12.7F/38 |
电站型 |
|
SHPB-B-12.7/W(户外) |
SHPB-B-12.7/W(户外) |
电站型 |
SHPB2-42/120 |
SHPB-B-42F/310 |
SHPB-B-42F/120 |
电站型 |
|
SHPB-B-42/W(户外) |
SHPB-B-42/W(户外) |
配电型 |
SHPB3-3.8/12 |
SHPB-B-3.8F/131 |
SHPB-B-3.8F/12 |
配电型 |
SHPB3-7.6/24 |
SHPB-B-7.6F/131 |
SHPB-B-7.6F/24 |
配电型 |
SHPB3-12.7/38 |
SHPB-B-12.7F/131 |
SHPB-B-12.7F/38 |
配电型 |
SHPB3-42/120 |
SHPB-B-42F/310 |
SHPB-B-42F/120 |
电容型 |
SHPB4-3.8/12 |
SHPB-C-3.8F/131 |
SHPB-C-3.8F/12 |
保护对象
电容器
F表示硅橡胶外套 |
电容型 |
SHPB4-7.6/24 |
SHPB-C-7.6F/131 |
SHPB-C-7.6F/24 |
电容型 |
SHPB4-12.7/38 |
SHPB-C-12.7F/131 |
SHPB-C-12.7F/38 |
电容型 |
SHPB4-42/120 |
SHPB-C-42F/310 |
SHPB-C-42F/120 |
电容型 |
|
SHPB-C-42/W(户外) |
SHPB-C-42/W(户外) |
2. 电机中性点过压保护器
表二
型 号 |
保护器持续
运行电压
有效值(KV) |
电机额定电压
有效值
(KV) |
雷电冲击
电流残压
不大于(KV) |
直流1mA
参考电压
不小于(KV) |
图号 |
SHPB-O-2.13 |
2.13 |
3.15 |
6.0 |
3.4 |
2 |
SHPB-O-4.6 |
4.6 |
6.3 |
12.0 |
6.9 |
2 |
SHPB-O-7.6 |
7.6 |
10.5 |
19.0 |
11.3 |
2 |
3. 电缆保护器 (主要用于高压单芯电缆屏蔽层的过电压保护)
表三
型 号 |
系统额定电压
有效值(KV) |
工频耐受电压
有效值(KV/S) |
10KA雷电冲击
电流残压
不大于(KV) |
直流1mA
参考电压
不小于(KV) |
图号 |
SHPB-D-35 |
35 |
5/4 |
13 |
6.5 |
2 |
SHPB-D-110 |
110 |
5/4 |
15 |
7.5 |
2 |
SHPB-D-220 |
220 |
6/3 |
35 |
15 |
2 |
七、SHPB的试验方法及注意事项
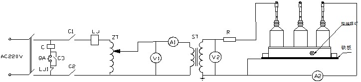
1、试验方法,试验原理接线如图(5)所示:

图(5) 工放试验原理图
V1、V2-电压表 A1-数字电流表 ZT-调压器 ST-试验变压器 LJ-电流继电器 R-限流电阻
a、按原理图将相关仪表和设备连接好。测试前应首先将电流继电器LJ的整定值调至Z小值(作为后备保护),然后将试验变压器空载升压,电流继电器LJ应不动作,将数字电流表A1的量程调至5~20A(5KVA及以下容量试验变压器可不加限流电阻R)。
b、工频试验电压分别加在被测试品的A和D、B和D、C和D、A和C、B和C、以及A和B上,缓慢调高试验变压器的输出电压,同时观察电压表及数字电流表A1,SHPB间隙未击穿放电时,数字电流表A1的读数会随着电压升高而逐渐增大。当试验变压器的输出电压达到SHPB的动作值时,SHPB间隙被击穿放电,数字电流表A1的数值将突增,此时试验变压器的高压输出电压值即为该SHPB的工放值。
2、试验注意事项:
a、用户在做SHPB工放时,应以电流表数值有明显突变时的高压输出电压值,作为SHPB的工放数值;
b、在做工频放电时,当观察到电流表有明显的增大时,要立即将调压器回零,并切断电源。切忌在放电后继续升高电压,以免损坏SHPB及试验变压器;
c、用户在试验时,如果发现其工放值C出表一中的允许范围时,请仔细检查接线是否正确、表计是否准确和调压器炭刷是否接触良好等,如经检查测试数据无误,确已C出允许范围时,请与我公司联系;
d、用户在做其它电气设备绝缘试验时,应将SHPB连接线拆除;
e、试验时,只有内部间隙放电,外围不同部分不得有闪络;
f、本产品每一至二年做一次预防性试验,同时将SHPB外表面灰尘清理干净。
八、安装及注意事项
1、户内型可水平安装在各种不同型号的开关柜的手车底盘内或支撑梁上;
2、带有动作记录仪(IM)的SHPB,先将SHPB本体(安装方式同上)和动作记录仪(嵌入式,安装在易观察的地方,外壳须接地)各自固定好后,通过带航空插头的七芯屏蔽电缆相连,安装尺寸详见《SHPB-IM过电压动作记录仪技术说明书》;
3、SHPB在和三相电源(A、B、C)及接地端(D)相连时,须注意以下事项:
⑴电缆外端裸露的连接线鼻子相互之间距离,应满足不同电压等级的不同相带电导体之间保持的Z小安全距离的要求;
⑵SHPB电缆线之间的安全距离及SHPB电缆线与不同相母线(或柜体)之间的安全距离应不小于该型保护器相间距离(应在电缆电缆拉紧状况下);
⑶SHPB高压电缆长度要根据安装位置进行选择,长短要适当,过长时可将该相电缆捆扎固定在同相母排(线)上,严禁将不同相电缆捆扎在一起;
⑷安装时严禁手提电缆.同时要注意避免高压电缆被锐器割破。

35KV SHPB系列过电压保护器