上海人民电器厂RMD2系列电动机保护器(以下简称保护器)是基于微处理器技术开发研制的电动机保护与控制装置。保护器主要用于操作交流50Hz、额定工作电压至660V,额定电流至800A的
交流电动机控制回路中的接触器,同时也可用于操作交流电操机构。通过输出继电器控
制交流接触器以起动电动机和将电动机加速到额定转速,BZ电动机连续运行,对电动
机及其有关电路的过载等多种非正常运行情况引起的危害予以保护,以及切断电动机的
电源。并且具有测量值查询、操作控制、自我诊断、维护与管理、状态监控、总线通讯
等功能。
用途与特点
标 准
a. 周围空气温度为-10˚C~+55˚C,且24h内的平均温度不C过+35˚C。
贮存温度为:-20˚C~+70˚C。
b. 相对湿度不C过95%(+20˚C±5˚C),表面无凝霜。
c. 安装地点的海拔高度不C过2000m。
d. 污染等级为2级。
e. 使用场所不得有火灾、爆炸、腐蚀等危及装置安全的危险和C出本说明书规定的振
动、冲击、碰撞。
f. 使用地点应有防御雨、雪、风、沙、灰的设施。
g.保护器应按照制造厂提供的使用说明书安装要求安装。
正常工作条件及安装条件
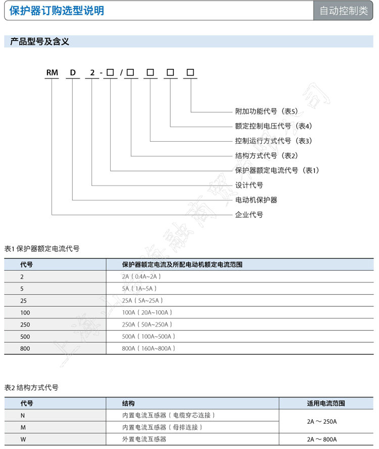
型号及含义
保护器额定电流
设计代号
电动机保护器
产品企业代号
RM D 2 -
RMD2-3
自动控制类
RMQ1 RMQ3 RMQ5 RMQ6 RMU1 RMK/RMKC/T RMS1 RMD2 P1700
产品结构与技术参数
结构图
技术参数
保护器型号 RMD2-2A RMD2-5A RMD2-25A RMD2-100A RMD2-250A RMD2-500A RMD2-800A
额定电流 (Ie) A 2A 5A 25A 100A 250A 500A 800A
额定工作电压 (Us) V a)~50Hz AC220V/DC220V/DC110V b) DC24V
电动机额定工作电 (Ue) V ~50Hz AC380V/660V
电动机额定工作电流 (IFLC) A 0.4A~2A 1A~5A 5A~25A 20A~100A 50A~250A 100A~500A 160A~800A
连接方式 电缆穿芯连接/母排连接 电缆穿芯连接
电流互感器 内置/外置 外置
输出触点额定负载容量
阻性负载:AC220V(250V)、10A、cosø=1 ; DC24V(30V)、10A
感性负载:AC220V/1A、DC24V/1A
RMD2-4
自动控制类
RMQ1 RMQ3 RMQ5 RMQ6 RMU1 RMK/RMKC/T RMS1 RMD2 P1700
产品结构与技术参数
功 能 保护特性
功能配置
标配功能 增选功能
过载保护
√
电动机额定电 (IFLC)
不动作特性 1.05 × FLC, >2h 不动作
动作特性 1.20 × FLC, <1h 动作
K系数
10,16,24,40,60,80,100,130,180,
280,400,600,800,1000,1200,1300
冷/热曲线率 5%~100%
过负荷锁定时间 1~1000min
允许起动热容 方式一、方式二
过负荷跳闸复位方式 手动 / 自动 / 紧急
执行方式 报警 / 跳闸 / 辅助 / 跳闸&辅助
相短路保护
√
相短路整定电流 (Ir1) (1.0~15.0) × FLC
动作时间 0~6.0s
执行方式 关闭 / 报警 /跳闸/ 辅助 /跳闸&辅助
堵转保护
√
堵转整定电流 (Ir2) (1.0~12.0) × FLC
动作时间 0~250.0s
执行方式 关闭 / 报警 /跳闸/ 辅助 /跳闸&辅助
起动过程禁止时间 0~600.0s + OFF
欠载保护
√
欠载整定电流 (Ir3) (20%~100%) × FLC
动作时间 0~250.0s
执行方式 关闭 / 报警 /跳闸/ 辅助 /跳闸&辅助
缺相/不平衡保护
√
缺相/不平衡整定值 (Ir4) 5%~100%
动作时间 0~250.0s
执行方式 关闭 / 报警 / 跳闸
接地保护
√
接地整定电流 (Iq) (20%~100%) × FLC
延时时间 0~60.0s + OFF
剪切系数 (C) 1.5~6 + OFF
执行方式 关闭 / 报警 / 跳闸 / 辅助 / 跳闸&辅助
起动过程禁止时间 0~60.0s + OFF
漏电保护
√
漏电保护整定电流 (I△n) 外接漏电互感器方式 (20%~100%) × I△m
2倍极限不驱动时间 0~60.0s
执行方式 关闭 / 报警 / 跳闸 / 辅助 / 跳闸&辅助
起动过程禁止 0~60.0s + OFF
电动机保护器功能表
RMD2-5
自动控制类
RMQ1 RMQ3 RMQ5 RMQ6 RMU1 RMK/RMKC/T RMS1 RMD2 P1700
产品结构与技术参数
功 能 保护特性
功能配置
标配功能 增选功能
欠压保护
√
欠压保护整定值 (Ur1) (45~95%) × Ue
动作时间 0~250.0s
执行方式 关闭 / 报警 / 跳闸
过压保护
√
过压保护整定值 (Ur2) (105%~150%) × Ue
动作时间 0~250.0s
执行方式 关闭 / 报警 / 跳闸
失压 / 欠电压重起动
√
欠压重起动功能整定值 (Ur3) (65%~100%) × Ue
延时重起动延时时间 0.1~250.0s
立即重起动失电时间 0.1~0.5s
延时重起动失电时间 0.5~10.0s
欠功率保护
√
启动值 (Pr) (20%~95%) × Pn
动作时间 0~250.0s
执行方式 关闭 / 报警 / 跳闸
热调节器
√
热敏电阻类型 PTC / NTC
热电阻设定值 0.1~200.0kΩ(PTC时>冷电阻设定值)
冷电阻设定值 0.1~200.0kΩ(NTC时>热电阻设定值)
动作时间 瞬时
执行方式 关闭 / 报警 / 跳闸 / 辅助 / 跳闸&辅助
热电阻未连接报警 使能 / 禁止
起动加速C时
√
执行方式 使能 / 禁止
外部故障
√ 执行方式 关闭 / 报警 / 跳闸
动作时间 0~250.0s
相序保护
√
执行方式 使能 / 禁止
接触器允许分断电流
√
整定电流 (Iic) (1.0~15.0) × Ie + OFF
上电自起动
√
执行方式 禁止 / 起动/ 恢复
电动机保护器功能表
RMD2-6
自动控制类
RMQ1 RMQ3 RMQ5 RMQ6 RMU1 RMK/RMKC/T RMS1 RMD2 P1700
产品结构与技术参数
电动机保护器功能表
功 能 保护特性
功能配置
标配功能 增选功能
控制运行方式
√
(任选一种)
直接起动
双速控制
可逆 (双向) 控制
星/三角起动
二继电器
三继电器开路
三继电器闭路
自耦变压器减压起动
二继电器
三继电器开路
三继电器闭路
电抗器减压起动
保护方式
软起动器配合起动
开路
闭路、软停禁止
闭路、软停使能
变频器配合起动
通讯
√
Modbus-RTU协议
两路模拟量输出 (AO1、AO2)
√ 4~20mA模拟量输出
0~10V模拟量输出
自诊断 √
热记忆 √
报警 √
接点输出 √
发光管指示 √
测量、显示、设定、维护 √
RMD2-7
自动控制类
RMQ1 RMQ3 RMQ5 RMQ6 RMU1 RMK/RMKC/T RMS1 RMD2 P1700
产品结构与技术参数
电动机保护器功能说明
功能 说明
过载保护
电动机处于过负荷运行时,保护器模拟电动机的发热特性,计算电动机热容量I2t,模拟
电动机发热特性对电动机进行保护。过载特性保护有16种曲线可选。
相短路保护
在电动机起动或者运行条件下,当任何相电流达到或者C过这个定值并维持一定的时间
(在相短路延时时间定值项中设定的延时时间),选择的继电器将会动作。
堵转保护 堵转过电流保护适用于电动机因堵转或机械阻塞等故障的保护。
欠载保护
电动机所带负载为泵式负载时,电动机空载或欠载运转时会产生危害,保护器提供欠载
保护。
缺相 (不平衡) 保护
缺相(不平衡)故障运行对电动机的危害很大,保护器提供一种不平衡率的保护方案,三相
电流出现严重不平衡或缺相时,按照设定的要求保护,使得电动机的运行更安全。
接地保护 接地保护取样于内部电流互感器的矢量和,用于保护相线对电动机金属外壳的短路保护。
漏电保护 漏电保护取样于外接漏电互感器,主要用于非直接接地的保护,以BZ人身安全。
欠压保护 保护器对电动机一次线路中的欠压故障实施保护。
过压保护 保护器对电动机一次 线路中的过压故障实施保护。
欠压/失压重起动
当电动机因欠压故障发生跳闸停车或者因电压波动或消失导致接触器断开而发生失压停车
后,系统电压回复,保护器将按照设定的要求决定是否重新起动电动机。
欠功率保护
电动机欠载运行时,由于功率因数较低,电动机的电流不一定会很小,保护器根据电动机
的有功功率进行保护,实现电动机欠载运行的更合理保护。
温度保护 (热调节器)
部分电动机中预埋有热敏电阻,可直接反映电动机当前的发热情况,保护器通过检测电动
机预埋热敏电阻阻值的变化情况实现过热保护。
起动加速C时
电动机在接收到起动命令后,在设定的起动时间结束之时,检测电动机电流,如果未降到
额定电流(满负荷电流)以下则认为起动加速C时,保护器立即停车或发报警信号。
控制运行方式
保护器通过不同的接线方式与外部交流接触器连接可实现直接(全压)起动、双速(变速)
控制、可逆(双向)控制、星/三角起动、自耦变压器减压起动、电抗器减压起动、软起动
器配合起动、变频器配合起动等多种控制运行方式。
外部故障
当保护器检测到有外部故障出现时,如果电动机当前处于起动/运行状态则延时停车,电动
机处于停车状态则不允许起动,确保电动机设备的安全。
相序保护 相序保护是在有相序故障时,保护器动作对电动机进行保护。
上电自起动
在上电过程中,保护器将按照系统设置判断是否允许实现自动起动功能。这个功能可实现
电源恢复后的分时自动起动功能。
RMD2-8
自动控制类
RMQ1 RMQ3 RMQ5 RMQ6 RMU1 RMK/RMKC/T RMS1 RMD2 P1700
产品结构与技术参数
电动机保护器面板及端子布置
复位按键
电动机状态指示灯
数字输入端子DI
DI公共端
工作电源输入端子
显示操作模块安装槽
附加功能模块
附加功能模块
数字输出端子DO
系统状态指示灯
a. 复位按钮:清除故障指示信息,退出故障跳闸状态,复位继电器输出。长按复位按钮3秒可清除热容,退出
电动机冷却状态,使用这个功能可能会重新起动一个过热的电动机从而导致其损坏。 此键不受操作权限的限
制。
b. 电动机状态指示灯:指示电动机当前的状态。电动机处于停车状态时,指示灯恒亮;电动机处于起动状态或
者 运行状态时,指示灯闪烁。当指示灯熄灭时,表示保护器处于未上电状态。
c. 系统状态指示灯:指示系统当前的状态。保护器发生跳闸事件后,指示灯被点亮;当有报警事件发生时,指示
灯闪烁。指示灯熄灭表示系统处于正常运行状态。
d. 数字输入端子和DI公共端:通过相关设备将DI公共端分别接入数字输入端子,实现外部操作命令或者设备状态
的输入。
e. 工作电源输入端子:保护器的工作电源由此接入。如果选择的工作电源为直流,则L为正极,N为负极。
f. 数字输出端子DO:独立的继电器输出端子,用于控制外部设备或者指示某种状态。
g. 附加功能模块:根据使用者需求进行安装,提供某种特定的功能。
h.显示操作模块安装槽:使用者可以根据需要确定RMD2X显示操作模块的安装位置。如果把保护器与RMD2X显
示操作模块一体安装,请将RMD2X置入显示操作模块安装槽内;如果需要把RMD2X显示操作模块置于其他位
置,请将RMD2X显示操作模块从安装槽内取出,通过专用的RMD2X显示操作模块串口连接线进行连接。




























