您现在位于:首页产品中心互感器 → XD1型节能限流电抗器
[上海山合海融商贸有限公司](繁體中文 )是国内外 品牌的低压电器产品,安全防护产品,进口核相仪,西班牙lifasa公司电容器,验电器,接地线,放电棒,绝缘毯,绝缘手套,绝缘靴,巡更巡检系统,过电压保护器,电涌保护器,双电源自动切换等产品的代理商。
 
 
XD1型节能限流电抗器

 

 本产品是采用不饱和聚酯浇注而成,主要安装在PGJ1型及其它类型的低压无功率自动补偿屏中作限制电容投入涌流之用。

 

 

 

 

 

 

抗器的接线端子和安装平面处的灰尘和油污。
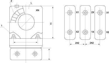
3.每台三相电容器各相均应配置一只电抗。当三相并列安装时注电抗器接线的进出线方向,其中间相必须和两侧相的接线相反,如两侧相首端X1为进线,则中心间相末端X2为进线。电抗器相互间中心距离不得小于24.2厘米见图2。